前 言
随着电池技术的发展和应用的革新,锂离子电池体积越来越小,能量密度越来越高。锂离子电池、锂聚合物电池应用已经从手机、平板电脑等便携式电子设备普及到工业、医疗、汽车等领域。近年来随着清洁能源的发展,储能电源逐渐兴起,以及电动工具、交通工具、智能家居的广泛应用,高可靠性、高采样精度的多串电池监控芯片成为实现锂电池安全应用以及进一步发挥电池潜力的电池管理系统要件。伴随锂电需求量激增,电池管理系统(BMS)市场规模也高速扩张,进而对电池管理芯片(BMIC)产品需求也急剧增加。为把握住这一快速增长的市场机遇,各芯片厂商正加速布局 BMIC 这一热门赛道。
凭借多年的数字和模拟混合芯片开发经验,晶华微目前集中优势资源,进行了多节锂电池管理芯片的开发、设计,推出了BMS模拟前端芯片SDM911X系列产品,在市场同类产品基础上,优化与改进多项功能,为锂电池管理领域带来新的突破。产品可广泛应用于储能、电摩、二轮车、滑板车、特种车辆、智能清洁、园林工具等终端产品中。
产 品 介 绍
晶华微推出内置均衡功能并且保护齐全的多串电池监控芯片,分别为支持6-10串电池组的SDM9110 ,以及支持10-17串电池组的SDM9117 。
SDM911X内置集成一个14位的逐次逼近型模数转换器(SAR-ADC),用来检测电池的电压、温度;另外该芯片还专门集成一个16位的高精度的Sigma-Delta模数转换器(Σ-ΔADC),用于充放电电流的检测,同时可以进行电量的库仑积分,在常温下可以达到±5mV电压采样精度,±0.5%电流采样精度。
SDM911X集成了独立的安全保护引擎,可与 MCU 配合使用,监测并管理锂电池组;也可以单独使用,独立保护锂电池组;内部主要包括充电过压(OV)、充电过流(COC)、充电结束保护(EOC)、放电欠压(UV-Shutdown)、放电过流、外部温度监测(OT/UT)和内部温度保护(IOTP)等功能,此外还能支持内/外部的电池均衡(Cell Balance)、电压不平衡检测(VIM)和断线检测(Cell-Tap-Open)功能,从而能极大的提高系统的安全性。
SDM911X使用单晶片实现高达17串电芯的监控方案,很好地支持各种应用中的高串数需求。相对于市面上其它多晶片合封方案,单晶片方案有稳定性好、通讯效率高、一致性好等优点。以市面常见3晶片(每晶片5串)合封成 15 串为例,单个晶片的实际耐压都为36V ,远低于SDM9117的80V耐压,电压尖峰的耐受能力相对较弱。
SDM911X支持电池乱序上电,提升高可靠性。
SDM911X支持多种低功耗工作模式,并且支持高达400kHz的I²C通讯。

晶华微AFE系列产品

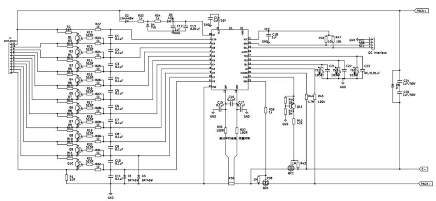
SDM9110电路图
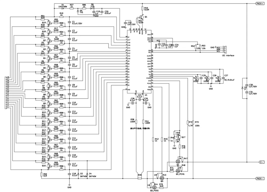
SDM9117电路图
2020 © 深圳宏兴微电子有限公司 ICP备案号:粤ICP备2023032289号